Вход по брелкам.
Вход по картам.
Выход по картам.
Выход по брелкам.
Открытие двери командой из ПО
Метки Mifare 13,56 МГц
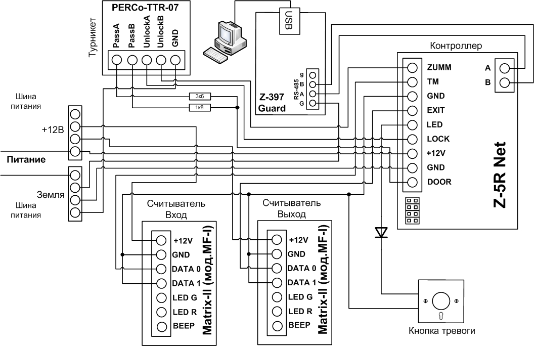
Турникет - модели TTR-07/TTR-04
Назначение выходов контроллера определяется при конфигурировании
Программируется компьютером
Лог событий хранится в энергонезависимой памяти контроллера.
Прошивка Extended
Драйвер для конвертера Z-397 Guard
ПО Guard Light для учета рабочего времени, программирования, обновления и конфигурирования контроллера
ПО Guard Light: начало работы.
ПО Guard Commander для программирования, получения лога события и тестирования контроллера
Учебный фильм. ПО Guard Commander
Учебный фильм. Обновление прошивки контроллера.
2015-2025 © Iron Logic | Производитель оборудования для систем контроля доступа
Ошибка в тексте? Выделите необходимый текст и нажмите Ctrl+Enter